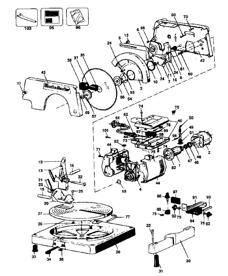
SR700 MITRE SAW Type 1[SR700 Type 1]