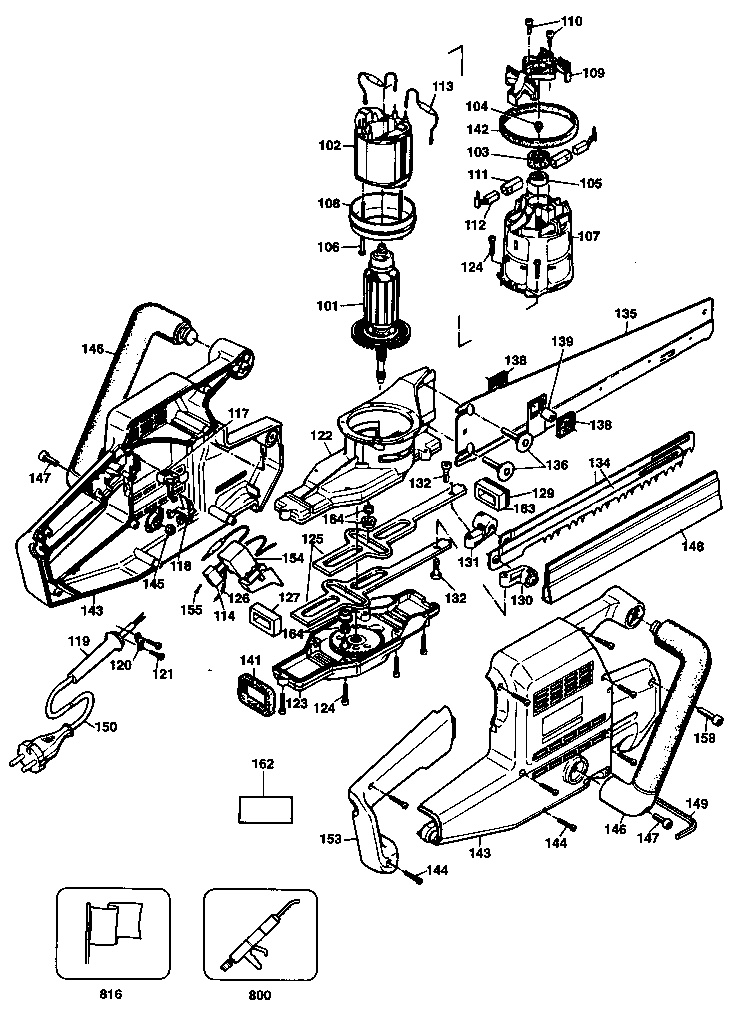
KS380 UNIVERSAL SAW Type 1[KS380 Type 1]