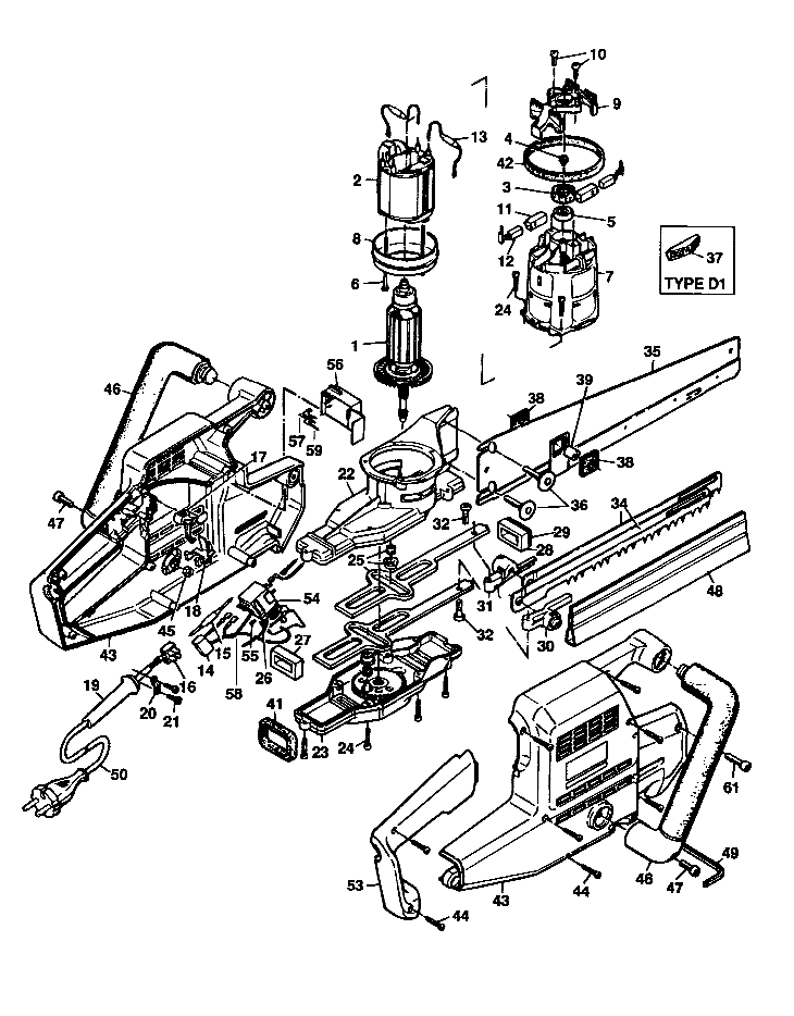
BD380E UNIVERSAL SAW Type 1-2[BD380E Type 1-2]