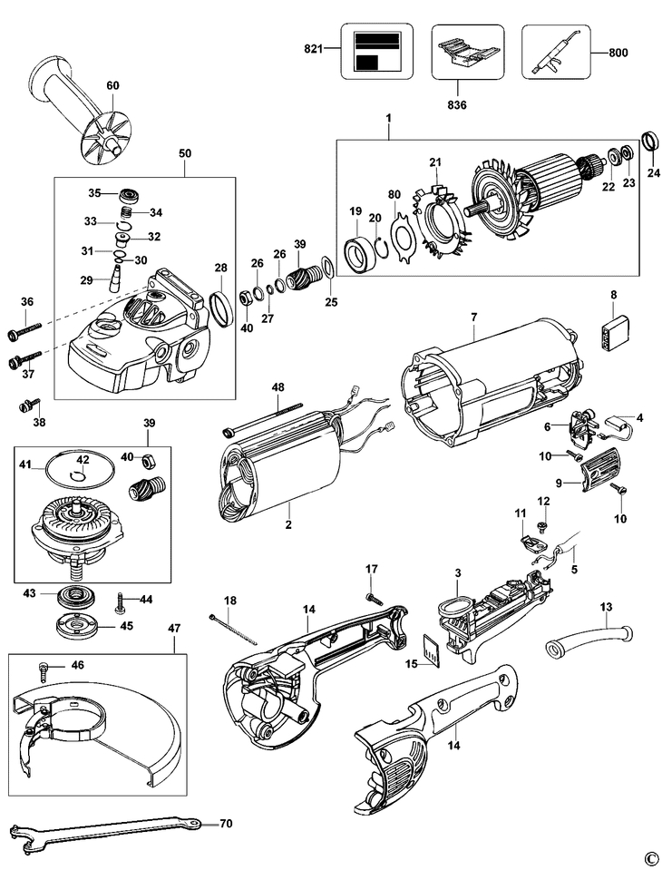
D28401 ANGLE GRINDER Type 1[D28401 Type 1]

Categorie: