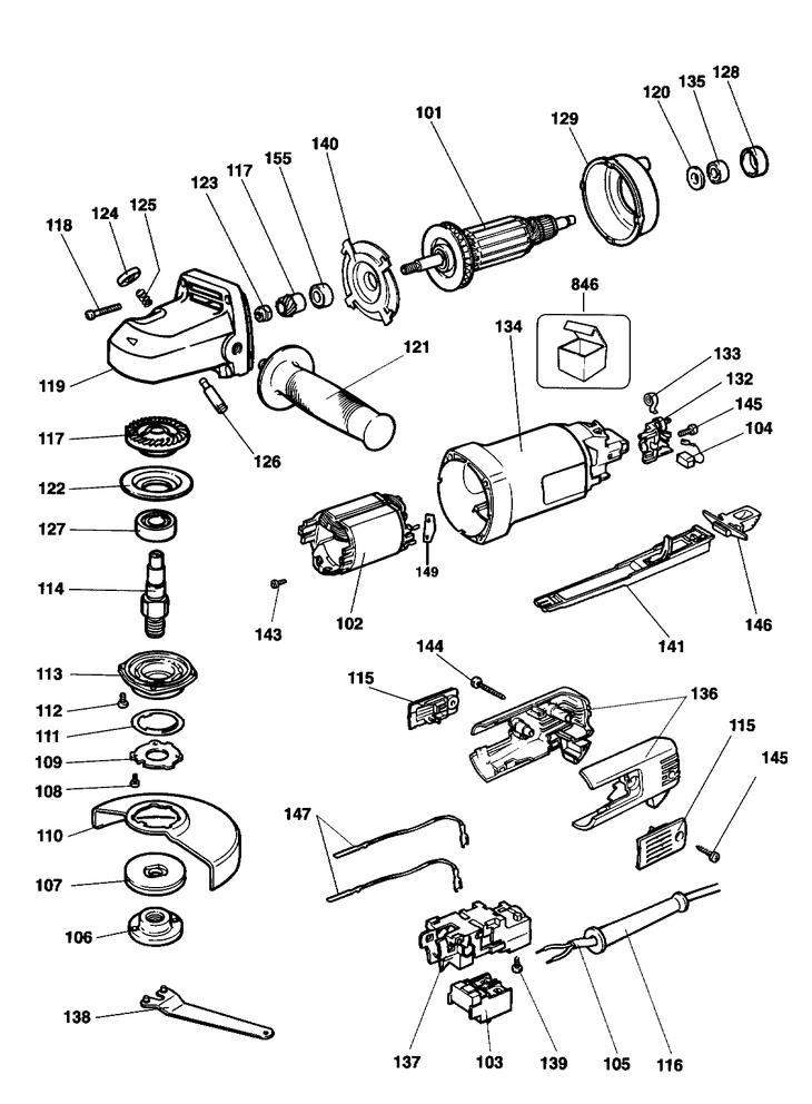
DW456 ANGLE GRINDER Type 1[DW456 Type 1]

Categorie: