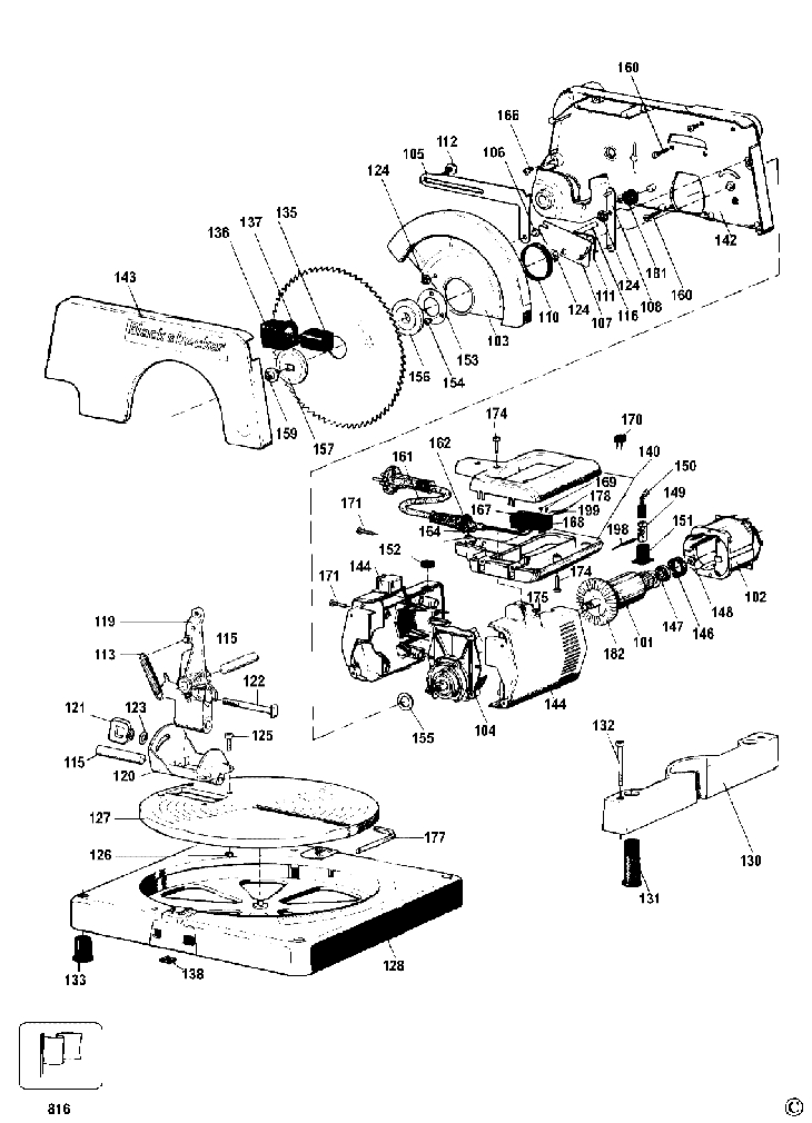
KS805 MITRE SAW Type 2[KS805 Type 2]