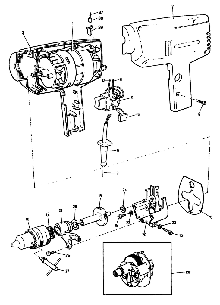
F101 DRILL Type 1[F101 Type 1]