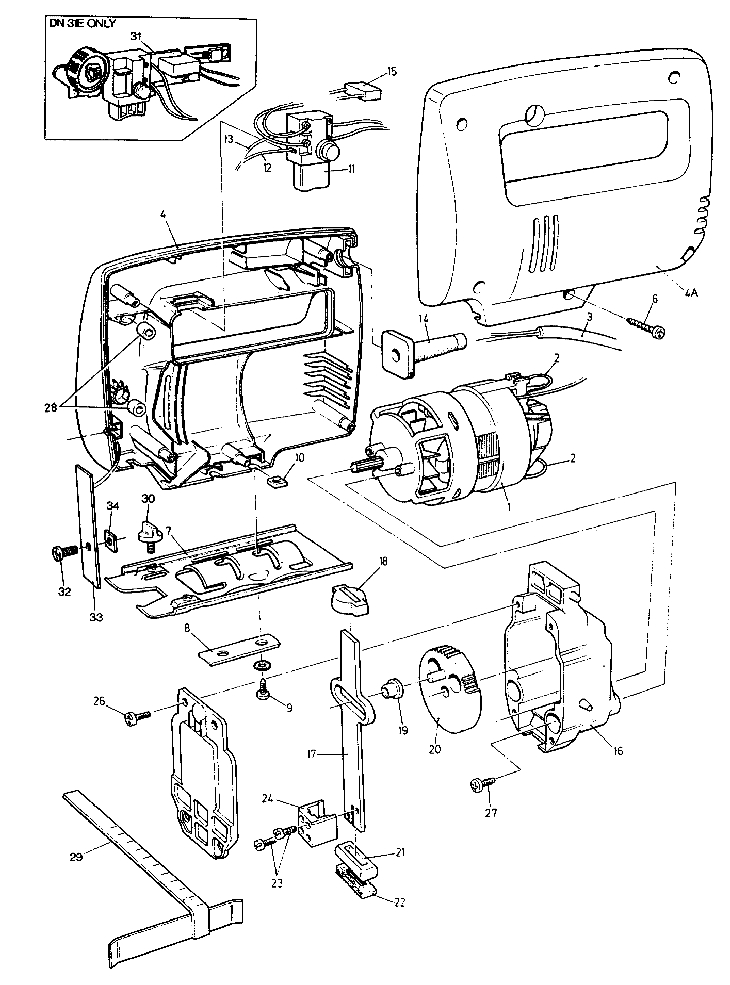
DN522 JIGSAW Type 7[DN522 Type 7]