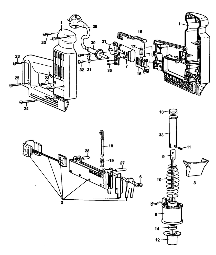
DN428 TACKER Type 1[DN428 Type 1]