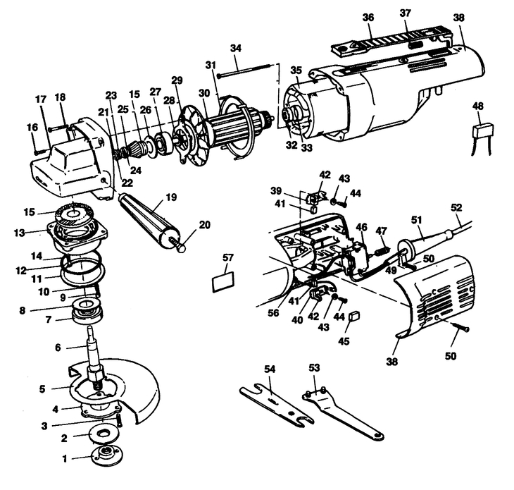
DN10N-NS SANDERGRINDER Type 2[DN10N-NS Type 2]