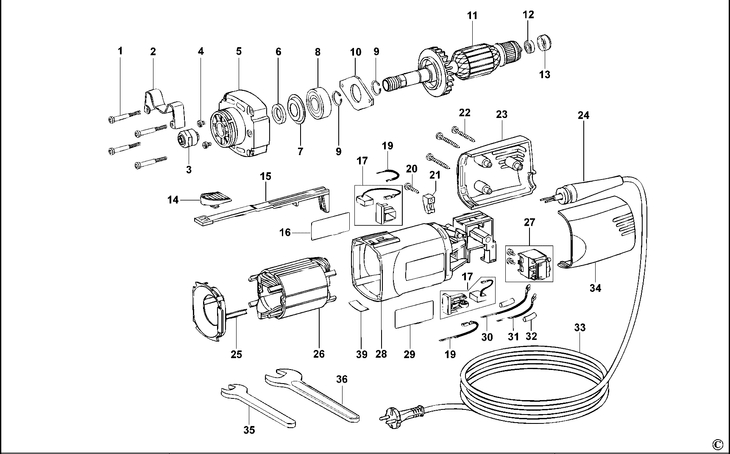
D28885 GRINDER Type 1[D28885 Type 1]

Categorie: