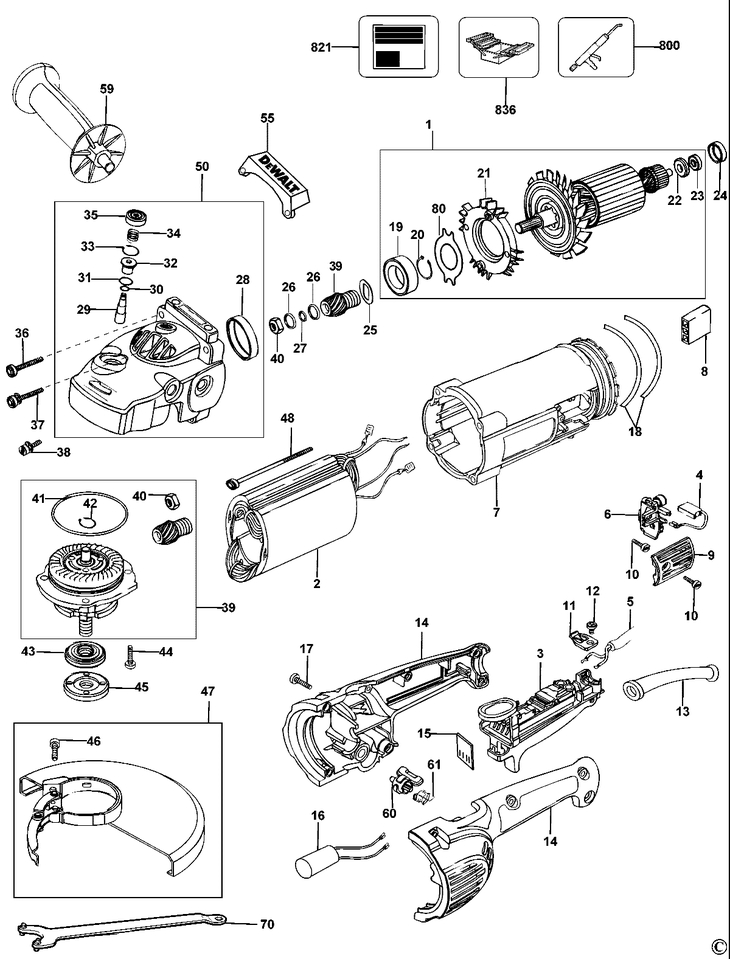
D28432C ANGLE GRINDER Type 1[D28432C Type 1]

Categorie: