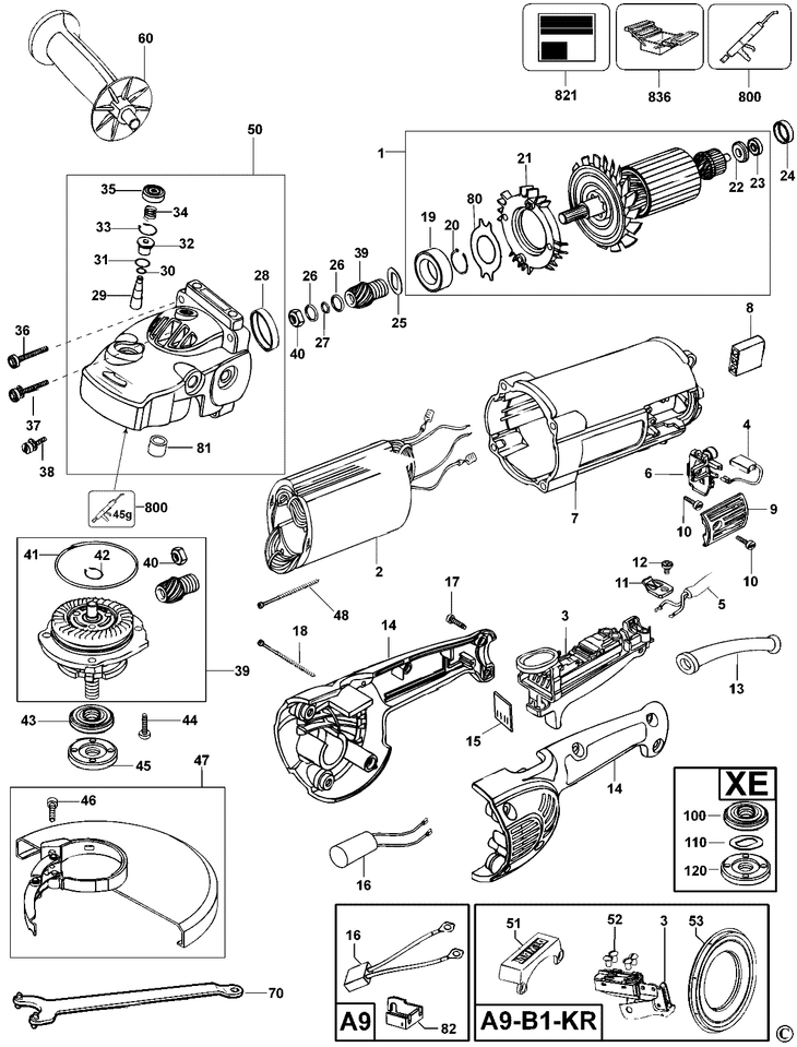
D28414 ANGLE GRINDER Type 1[D28414 Type 1]

Categorie: