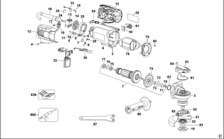
D28117 SMALL ANGLE GRINDER Type 2[D28117 Type 2]

Categorie: