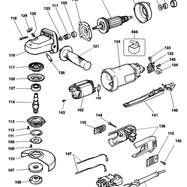
D25052K ROTARY HAMMER Type 1[D25052K Type 1]

Categorie: