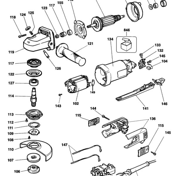
D21717 DRILL Type 1[D21717 Type 1]

Categorie: