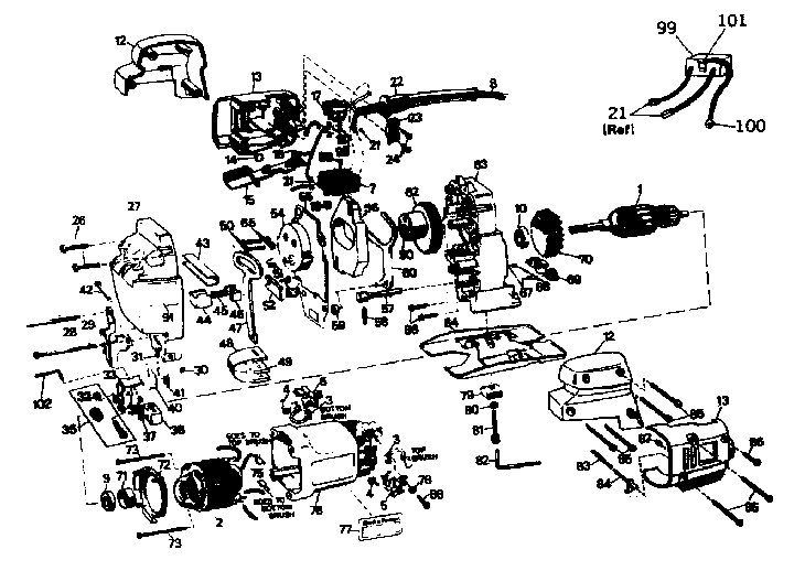
HD3159 JIGSAW Type 1[HD3159 Type 1]