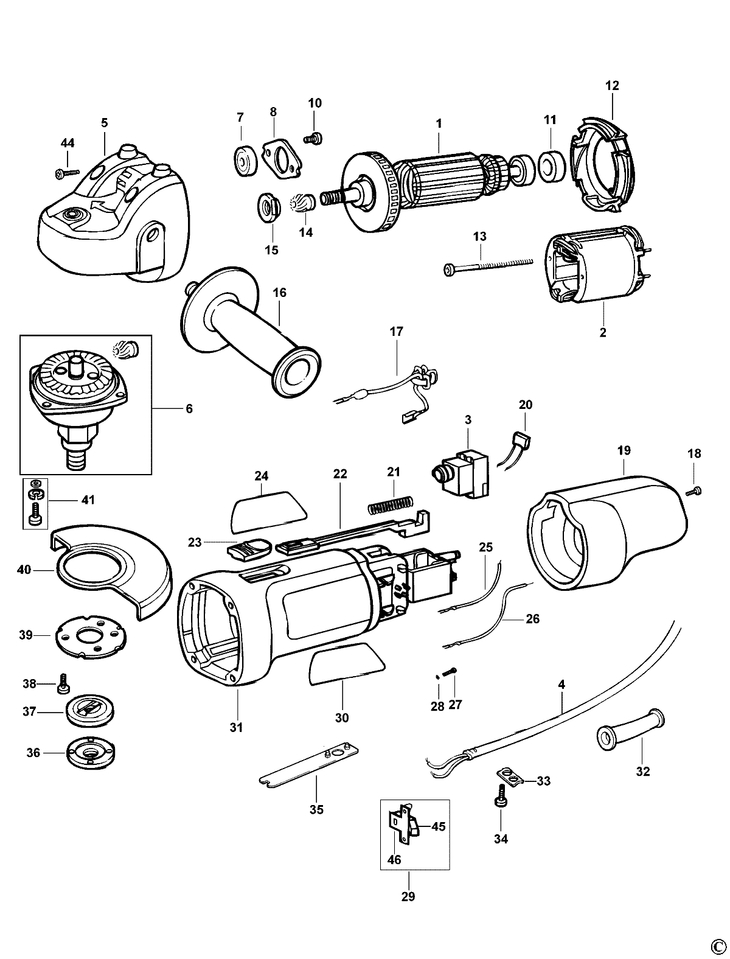
FG005 ANGLE GRINDER Type 1[FG005 Type 1]