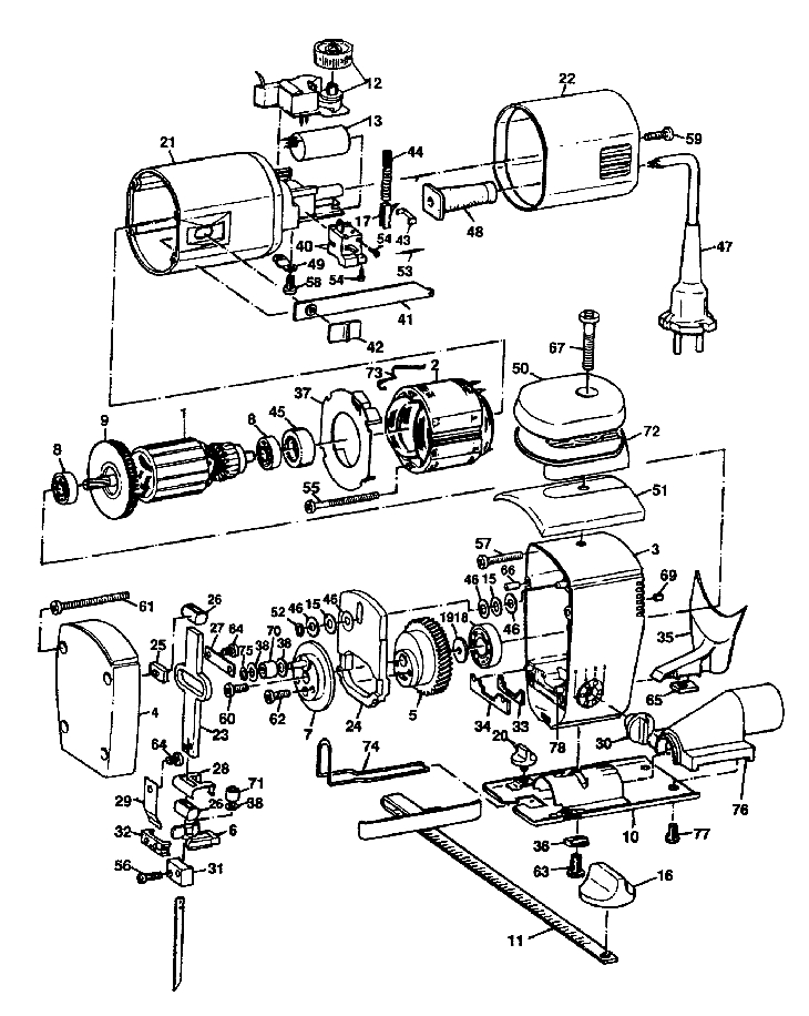
DN99E JIGSAW Type 1[DN99E Type 1]