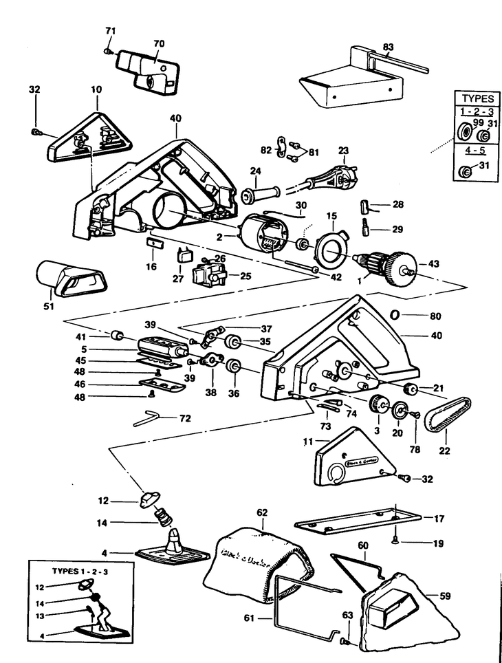
DN710 PLANER Type 1[DN710 Type 1]