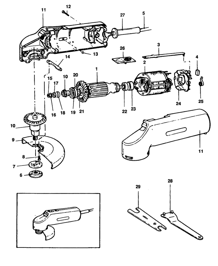
DN5 SANDERGRINDER Type 1[DN5 Type 1]