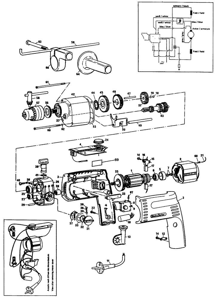
D306E DRILL Type 1[D306E Type 1]