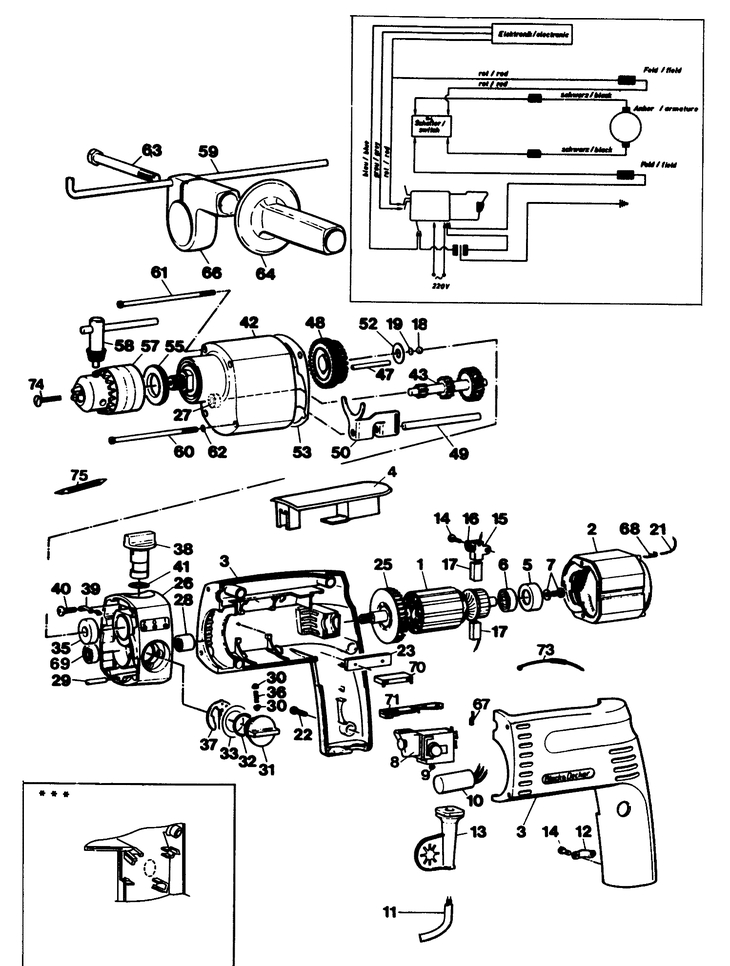
D303R DRILL Type 1[D303R Type 1]